收藏手机看片网址收藏手机看片网址联系手机看片网址联系手机看片网址手机看片网址-网站地图网站地图

您好!欢迎来到无锡手机看片网址智能装备有限公司!
全国咨询热线: 15052200196

手机看片网址

自动检测设备定制厂家手机看片网址-91在线看片网站定制厂家

手机看片网址-推动中国基础

在线测孔机-配套机械手方案

返回列表 来源: 手机看片网址 发布日期: 2019.01.28

设计概述

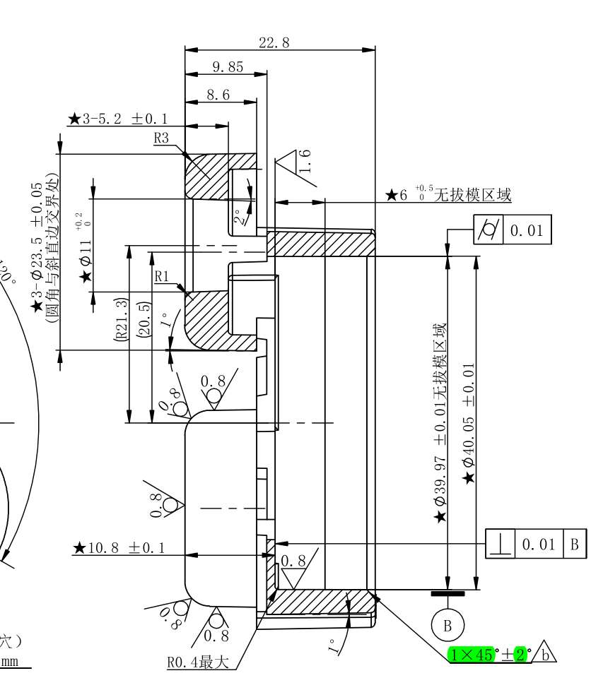
检测下图工件的内径尺寸Φ39.97 +/-0.01  一个截面 (截面位置可调)


被测产品及具体尺寸

检测要求:

1.检测上图工件的内径尺寸Φ39.97 +/-0.01  一个截面 (截面位置可调)。

2.自动校零。

3.超差报警或通讯桁架机械手剔除。


设备参数:
1.设备采用接触式位移传感器,传感器分辨率0.1微米,检测设备综合精度3微米。 

2.节拍3秒/件。

3. 检测数据可和机床通讯(留有通讯接口)。

4. 不同产品更换工装可以通用。

5.机械手上下料。

6.自动校准。

7.安全防护系统。

设备参数


工艺流程说明:

机械手上料至待测工位→光电传感器检测到工件→单轴移送机构将工件移送至检测工位→三点测量机构下降测量  →PLC读取位移传感器数值并与设定公差值比较 → NG品与机械手通讯进行剔除→ OK品与机械手通讯放入成品盒→一个循环结束。


整体结构图

自动校准:

1、开机后自动校准;

2、设备在运行一段时间后(设定时间/数量),移送机构将校准件移送至测量工位,设备进行自动校零。


外径、内径(孔)、高度等核心检测工位详
外径、内径(孔)、高度等核心检测工位详解

服务热线13585048988

咨询热线

15052200196
网站地图